串联逆变与并联逆变对比 - 产品知识 - 河南熔克电气制造有限公司


串联逆变与并联逆变对比

发布人:河南熔克电气制造有限公司    发布日期:2019-03-20 11:30:47     点击:32475

现代感应加热行业需要大功率、高功率密度、连续大批量和符合国家相关规定的感应加热设备,这对感应设备制造商提出了新的挑战。各个感应加热设备制造商在这方面作了大量的研究和实践,从线圈和电容器的联接方式看,有串联逆变和并联逆变两种电路。从对两种逆变电路的分析,可以使用户正确选用中频感应电源。

两种逆变电路的原理分析

一、串联逆变电路

1、串联逆变电路原理图

2、串联逆变电路的主要参数

⑴逆变器输出中频电压基波分量有效值Ual

⑵逆变器输出电流有效值Iil

η:逆变电路的效率

⑶输出功率P

⑷逆变晶闸管承受的最大电压UDRM

⑸流过逆变晶闸管的正向平均电流Ivk

⑹流过线圈的电流等于流过逆变晶闸管的中频输出电流

⑺线圈电压等于逆变晶闸管输出中频电压的Q倍

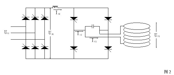
二、并联逆变电路原理图

1、并联逆变电路原理图

2、并联逆变电路的主要参数

⑴逆变器输出中频电压基波分量有效值Ua2

⑵逆变器输出电流有效值Ii2

⑶输出功率P

⑷逆变晶闸管承受的最大电压UDRM

⑸流过逆变晶闸管的正向平均电流Ivk

⑹流过线圈的电流等于流过逆变晶闸管的中频输出电流Q倍

⑺线圈电压等于逆变晶闸管输出中频电压

两种逆变电路的比较

一、逆变电压

从式(1-1) (2-1)中,看出在同等功率、相同输入电压情况下,并联逆变电路的输出中频电压高于串联逆变电路的。从式(1-4) (2-4)中,看出并联逆变晶闸管承受的电压要高于串联逆变电路的。但是从(1-7)(2-7)中,看出串连逆变线圈电压高于并联逆变。

二、逆变电流

从式(1-2) (2-2)中,看出在同等功率、相同输入电压情况下,串联逆变电路的输出中频电流高于并联逆变电路的。从式(1-5) (2-5)中,看出串联逆变晶闸管流过的电流要高于并联逆变电路的。如果串联逆变晶闸管选用并联,那么流过每个逆变晶闸管的电流也可以设计成和并联逆变晶闸管一样的。但是从(1-6)(2-6)中,看出并连逆变线圈电流高于串联逆变电流,从而导致并联逆变线圈铜损大于串连逆变。

从式(1-3) (2-3)中,看出无论是并联逆变电路还是串联逆变电路都是通过逆变晶闸管输出交流电流Ii和电压Ua到线圈,由于逆变输出交流电流和电压不是同相位的,有一个相位角Φ,根据输出功率和电炉状况的不同,导致相位角变化,对输入到电炉线圈上的功率,除了电流和电压的乘积外,还要乘以一个逆变功率因数COSΦ。

晶闸管只能流过正向电流,在逆变器设计晶闸管的选型时,最主要考虑的是晶闸管流过一定电流时,内部 PN结的结点温度,考虑在最小导通角情况下,晶闸管流过最大电流时,内部 PN结的结点温度,仍然不超过安全温度。无论是并联逆变电路还是串联逆变电路都是要遵守这个原则。

有一种观点说,相同功率的串联逆变电路输出电流大于并联逆变电路,所以串联逆变电路的晶闸管容易损坏,使用寿命短。

由于逆变电路输出电流的不同,所以不能使用相同大小的晶闸管;在并联使用逆变晶闸管时,只要在最小导通角,晶闸管流过最大电流时,内部PN结的结点温度相同,不超过安全温度,对每个晶闸管的负荷来说是一样的,不存在哪种逆变电路的晶闸管容易损坏,使用寿命短的问题。如果设计时提高串联逆变电路晶闸管的结点温度,那当然会缩短使用寿命。

随着大功率晶闸管(SCR)制造技术的不断发展,直径 100mm 的晶闸管已经成熟使用在中频感应电源上,但是单个晶闸管所能承受的电流和电压都是有限度的,大功率的电源,最大输出到线圈上的电流有上万安培,就是并联逆变电路也需要逆变晶闸管的并联使用,晶闸管的并联使用的成败最主要取决于晶闸管的触发和均流措施的设计;大功率的晶闸管触发信号使用供电电源隔离,没有脉冲变压器输出隔离的直接驱动设计,现代的电子控制器件场效应管(MOSFET)具有非常快速的响应时间,充当最后输出的驱动器件,使得晶闸管的触发信号具

有足够的触发电流和快速的上升速度,完全能够保证并联晶闸管的同时开通,从而确保并联晶闸管的可靠工作。

有的串联逆变电路生产商在每台设备出厂前都进行输出铜排短路试验,就是设备在运行时,突然短路输出铜排,设备能够自动保护停机,没有零部件损坏,复位后立刻重新投入正常使用,只有通过了这个测试,设备才能出厂。这就是生产商对串联逆变电路并联晶闸管技术充分有信心的表现,也是对串联逆变电路的晶闸管容易损坏,使用寿命短的论点的最好反驳。

三、整流环节处理

中频感应电源整流环节一般使用三相桥式、六相桥式或者十二相桥式晶闸管整流。三相桥式整流有六个晶闸管,每个晶闸管需要一个触发脉冲,共需六个触发脉冲,所以也叫 6脉冲整流。六相桥式整流也叫12脉冲整流。十二相桥式整流也叫24脉冲整流。

1、串联逆变电路

串联逆变电路只需要一个固定输出电压、可变输出电流的直流源,不需要改变直流电压来调整逆变输出功率,只是在运行时,直流电流输出不同。所以桥式整流器直流输出电压始终是最高电压;不需要改变整流器晶闸管的触发导通角;控制起来也简单可靠。但是不意味着不监视整流器工作状况,由于仍然采用晶闸管桥式整流器,因此在有故障情况下,可以通过撤销整流器晶闸管的触发脉冲,只要 50 赫兹中的一个周期 20 毫秒时间迅速彻底隔离外部输入与逆变器的联系。

2、并联逆变电路

并联逆变电路需要一个可变输出电压、可变输出电流的直流源,需要改变直流电压来调整逆变输出功率,桥式整流器直流输出不同的直流电压是通过改变晶闸管的触发导通角来完成的。桥式整流器的控制是并联逆变电路的重要部分,必须精确控制整流晶闸管的触发导通角,许多参数最大值的限制都是通过改变触发导通角来完成的。在有故障情况下,也是可以通过撤销整流器晶闸管的触发脉冲,隔离外部输入与逆变器的联系。

四、直流滤波环节

1、串联逆变电路

在桥式整流器直流输出端串联电抗器加并联电容器的组合滤波,输出直流电压和电流平稳;一般电抗器采用无铁芯的电抗器,有效降低电抗器发出的噪音。同时由于电容滤波的作用,也充分抑制逆变中频的谐波分量反馈到外部电网。

2、并联逆变电路

只在桥式整流器直流输出端串联电抗器,通常为了在低直流电压输出时,也能保持直流电流的连续,必须设计足够大的电感量,需要带铁芯的电抗器。电抗器发出噪音也相应大一些。

五、谐波分量的分析

整流输出的脉动直流电压都是周期性的非正弦函效的直流分量加上各次正弦函数。负载上的电压可以对应各次谐波电压,产生各次谐波电流,负载上的电流合成。

以三相桥式全控整流电路为例,直流电流连续时,何值,负载直流电压的傅氏级数表达式为:

根据上述关系,我们可以计算出以n为参变量,各次谐波幅值的标么值对应整流器晶闸管的延迟触发角α的关系曲线,见图5。

可以看出,采用当α=0°时,谐波幅值最小;当α=90°时,谐波幅值最大;谐波幅值随整流器晶闸管的延迟触发角α的增大而增大。

1、串联逆变电路的整流器晶闸管的延迟触发角α始终为0,所以各次谐波幅值都是最小的值。

2、并联逆变电路的整流器晶闸管的延迟触发角α是变化的,如果α=30°时,各次谐波幅值大约就是α=0°时的两倍;α角度变大时,各次谐波幅值就成倍地变大。

由于晶闸管是一个非线性的电气元器件,所以由晶闸管组成的中频感应电源对于外部输入电源是一个非线性的负载。也就是在一个周期性的正弦电压输入时,它的阻抗是变化的,电流不是正弦波形,见图3。在电流突变时在正弦电压波形上有短时尖峰。

对于外部三相输入电流,是一个方形台阶波形,可以用傅氏级数的形式分解成等效的(50Hz或 60Hz)基波分量加上各基波奇数倍次的正弦函数分量。但是考虑到晶闸管的换流、三相电压微小的不平衡等因数,IEEE综合理论计算和实际测量值,给出了不同整流配置情况下各次谐波电流幅值和基波电流幅值之间的数量关系。

为了使得大功率中频感应电源产生的谐波对公共电网的影响符合设备使用地供电局的要求,我们必须在选购设备时,考虑到以下因素来减少谐波的产生量。

1、全波整流,不调整直流输出电压。在不增加设备制造费用的情况下,任何时候轻易得到最高的功率因数和最小的谐波发生量。

2、针对低次谐波电流超标,可以适当增加整流脉冲数量。如果某台6脉冲整流的中频电源产生的5、7次谐波电流超标,可以采用 12脉冲整流,这样就可以大大减小5、7次谐波电流值。在某些超大功率中频电源,可以采用 24脉冲整流,可以大大减小5、7、11、13次谐波电流值。


六、低功率运行时的功率因数

三相整流器的功率因数可以用 表示,忽略整流器晶闸管的换流角的话,用表示。

a:整流器晶闸管的延迟触发角

v:整流器晶闸管的换流角

1.串联逆变电路的整流器不改变直流输出电压,只在开启时慢慢建立直流输出电压,和在故障时关断整流器的工作。整流器晶闸管的延迟触发角始终为0,所以三相桥式六脉冲整流功率因数一直可以达到0.955,六相桥式十二脉冲整流功率因数可以达到0.988。

2.并联逆变电路为了维持逆变器正常工作的最小能量,一般控制整流器最小直流输出电压在20%的最高直流电压,所以整个直流输出电压在 20%~100%范围内变化,所以最低功率因数在0.2;整流器晶闸管的延迟触发角为 0°时,也达到最高功率因数。 但在逆变电源全功率时,在有的炉况下,直流阻抗配合比较小,整流器直流输出电压不一定是最大输出电压,这时候功率因数也可能只有0.8~0.9,而不是0.955。功率因数的高低和直流输出电压值有最直接的关系。

七、对线圈的控制能力

1.串联逆变电路直接对通过线圈的电流进行实时反馈并加以监控,只要检测到线圈的电流不正常,就有步骤地封锁逆变晶闸管的触发脉冲,最快最大限度最直接地保护设备。敢于每台设备在出厂前都进行输出铜排短路试验,也是串联逆变电路直接控制线圈电流的极好明证。

2.并联逆变电路只对逆变输出电压进行控制,对通过线圈的电流无法直接控制。只有通过对逆变电压的控制,来影响和调整线圈运行参数;如果线圈方面有工作不正常,需要影响到逆变输出电压,进一步反映到整流电路后,才能采取保护措施。因此这种控制方式是间接的,反映稍慢,对整流器的压力也比较大。

八、输出功率的控制

1.  如七介绍,串连电源逆变电路中,负载线圈、调协电容和逆变可控硅都是串连在一个回路,可以直接检测线圈负载的变化和线圈电流的变化。如果电网电压在+/-10% 内波动,应达串连电源可以在一个电流环内检测到相应的电流变化、主控板适时调整电压大小变化,从而实现电源内部的闭环功率控制,保证输出功率始终不随外在因素的变化,从而保证加热温度可以稳定在+/-20  度。

2.相应如七介绍,在并联电源电路中,没法对负载线圈电流直接检测和控制,外在电网电压波动、线圈负载坯料变化、甚至一些设备开停等都会影响输出功率的变化,从而导致加热温度有较大的变化。

国内感应电源制造商早期几乎全部采用并联逆变电路,最近几年已有部分厂家转向生产串联逆变电路,以满足现代感应加热的需求。

就中国感应市场来说,从国外进口中频感应电源统计情况来看,大多数是选用串联逆变电路,广泛地应用于锻造、铸造、焊接和热处理等行业。

综上所述,串联逆变电路在功率因数、谐波、电效率等方面有着无可比拟的优势,对感应线圈也有最直接的控制,所以尤其是在大功率中频感应电源应用中串联逆变电路是一种最佳的选择。



河南熔克电气制造有限公司 版权所有 备案号:豫ICP备19005799号 友情链接:技术支持中频感应电炉合金熔炼炉

串联逆变与并联逆变对比

发布日期:2019-03-20 11:30:47
发布人:河南熔克电气制造有限公司     点击:32477

现代感应加热行业需要大功率、高功率密度、连续大批量和符合国家相关规定的感应加热设备,这对感应设备制造商提出了新的挑战。各个感应加热设备制造商在这方面作了大量的研究和实践,从线圈和电容器的联接方式看,有串联逆变和并联逆变两种电路。从对两种逆变电路的分析,可以使用户正确选用中频感应电源。

两种逆变电路的原理分析

一、串联逆变电路

1、串联逆变电路原理图

2、串联逆变电路的主要参数

⑴逆变器输出中频电压基波分量有效值Ual

⑵逆变器输出电流有效值Iil

η:逆变电路的效率

⑶输出功率P

⑷逆变晶闸管承受的最大电压UDRM

⑸流过逆变晶闸管的正向平均电流Ivk

⑹流过线圈的电流等于流过逆变晶闸管的中频输出电流

⑺线圈电压等于逆变晶闸管输出中频电压的Q倍

二、并联逆变电路原理图

1、并联逆变电路原理图

2、并联逆变电路的主要参数

⑴逆变器输出中频电压基波分量有效值Ua2

⑵逆变器输出电流有效值Ii2

⑶输出功率P

⑷逆变晶闸管承受的最大电压UDRM

⑸流过逆变晶闸管的正向平均电流Ivk

⑹流过线圈的电流等于流过逆变晶闸管的中频输出电流Q倍

⑺线圈电压等于逆变晶闸管输出中频电压

两种逆变电路的比较

一、逆变电压

从式(1-1) (2-1)中,看出在同等功率、相同输入电压情况下,并联逆变电路的输出中频电压高于串联逆变电路的。从式(1-4) (2-4)中,看出并联逆变晶闸管承受的电压要高于串联逆变电路的。但是从(1-7)(2-7)中,看出串连逆变线圈电压高于并联逆变。

二、逆变电流

从式(1-2) (2-2)中,看出在同等功率、相同输入电压情况下,串联逆变电路的输出中频电流高于并联逆变电路的。从式(1-5) (2-5)中,看出串联逆变晶闸管流过的电流要高于并联逆变电路的。如果串联逆变晶闸管选用并联,那么流过每个逆变晶闸管的电流也可以设计成和并联逆变晶闸管一样的。但是从(1-6)(2-6)中,看出并连逆变线圈电流高于串联逆变电流,从而导致并联逆变线圈铜损大于串连逆变。

从式(1-3) (2-3)中,看出无论是并联逆变电路还是串联逆变电路都是通过逆变晶闸管输出交流电流Ii和电压Ua到线圈,由于逆变输出交流电流和电压不是同相位的,有一个相位角Φ,根据输出功率和电炉状况的不同,导致相位角变化,对输入到电炉线圈上的功率,除了电流和电压的乘积外,还要乘以一个逆变功率因数COSΦ。

晶闸管只能流过正向电流,在逆变器设计晶闸管的选型时,最主要考虑的是晶闸管流过一定电流时,内部 PN结的结点温度,考虑在最小导通角情况下,晶闸管流过最大电流时,内部 PN结的结点温度,仍然不超过安全温度。无论是并联逆变电路还是串联逆变电路都是要遵守这个原则。

有一种观点说,相同功率的串联逆变电路输出电流大于并联逆变电路,所以串联逆变电路的晶闸管容易损坏,使用寿命短。

由于逆变电路输出电流的不同,所以不能使用相同大小的晶闸管;在并联使用逆变晶闸管时,只要在最小导通角,晶闸管流过最大电流时,内部PN结的结点温度相同,不超过安全温度,对每个晶闸管的负荷来说是一样的,不存在哪种逆变电路的晶闸管容易损坏,使用寿命短的问题。如果设计时提高串联逆变电路晶闸管的结点温度,那当然会缩短使用寿命。

随着大功率晶闸管(SCR)制造技术的不断发展,直径 100mm 的晶闸管已经成熟使用在中频感应电源上,但是单个晶闸管所能承受的电流和电压都是有限度的,大功率的电源,最大输出到线圈上的电流有上万安培,就是并联逆变电路也需要逆变晶闸管的并联使用,晶闸管的并联使用的成败最主要取决于晶闸管的触发和均流措施的设计;大功率的晶闸管触发信号使用供电电源隔离,没有脉冲变压器输出隔离的直接驱动设计,现代的电子控制器件场效应管(MOSFET)具有非常快速的响应时间,充当最后输出的驱动器件,使得晶闸管的触发信号具

有足够的触发电流和快速的上升速度,完全能够保证并联晶闸管的同时开通,从而确保并联晶闸管的可靠工作。

有的串联逆变电路生产商在每台设备出厂前都进行输出铜排短路试验,就是设备在运行时,突然短路输出铜排,设备能够自动保护停机,没有零部件损坏,复位后立刻重新投入正常使用,只有通过了这个测试,设备才能出厂。这就是生产商对串联逆变电路并联晶闸管技术充分有信心的表现,也是对串联逆变电路的晶闸管容易损坏,使用寿命短的论点的最好反驳。

三、整流环节处理

中频感应电源整流环节一般使用三相桥式、六相桥式或者十二相桥式晶闸管整流。三相桥式整流有六个晶闸管,每个晶闸管需要一个触发脉冲,共需六个触发脉冲,所以也叫 6脉冲整流。六相桥式整流也叫12脉冲整流。十二相桥式整流也叫24脉冲整流。

1、串联逆变电路

串联逆变电路只需要一个固定输出电压、可变输出电流的直流源,不需要改变直流电压来调整逆变输出功率,只是在运行时,直流电流输出不同。所以桥式整流器直流输出电压始终是最高电压;不需要改变整流器晶闸管的触发导通角;控制起来也简单可靠。但是不意味着不监视整流器工作状况,由于仍然采用晶闸管桥式整流器,因此在有故障情况下,可以通过撤销整流器晶闸管的触发脉冲,只要 50 赫兹中的一个周期 20 毫秒时间迅速彻底隔离外部输入与逆变器的联系。

2、并联逆变电路

并联逆变电路需要一个可变输出电压、可变输出电流的直流源,需要改变直流电压来调整逆变输出功率,桥式整流器直流输出不同的直流电压是通过改变晶闸管的触发导通角来完成的。桥式整流器的控制是并联逆变电路的重要部分,必须精确控制整流晶闸管的触发导通角,许多参数最大值的限制都是通过改变触发导通角来完成的。在有故障情况下,也是可以通过撤销整流器晶闸管的触发脉冲,隔离外部输入与逆变器的联系。

四、直流滤波环节

1、串联逆变电路

在桥式整流器直流输出端串联电抗器加并联电容器的组合滤波,输出直流电压和电流平稳;一般电抗器采用无铁芯的电抗器,有效降低电抗器发出的噪音。同时由于电容滤波的作用,也充分抑制逆变中频的谐波分量反馈到外部电网。

2、并联逆变电路

只在桥式整流器直流输出端串联电抗器,通常为了在低直流电压输出时,也能保持直流电流的连续,必须设计足够大的电感量,需要带铁芯的电抗器。电抗器发出噪音也相应大一些。

五、谐波分量的分析

整流输出的脉动直流电压都是周期性的非正弦函效的直流分量加上各次正弦函数。负载上的电压可以对应各次谐波电压,产生各次谐波电流,负载上的电流合成。

以三相桥式全控整流电路为例,直流电流连续时,何值,负载直流电压的傅氏级数表达式为:

根据上述关系,我们可以计算出以n为参变量,各次谐波幅值的标么值对应整流器晶闸管的延迟触发角α的关系曲线,见图5。

可以看出,采用当α=0°时,谐波幅值最小;当α=90°时,谐波幅值最大;谐波幅值随整流器晶闸管的延迟触发角α的增大而增大。

1、串联逆变电路的整流器晶闸管的延迟触发角α始终为0,所以各次谐波幅值都是最小的值。

2、并联逆变电路的整流器晶闸管的延迟触发角α是变化的,如果α=30°时,各次谐波幅值大约就是α=0°时的两倍;α角度变大时,各次谐波幅值就成倍地变大。

由于晶闸管是一个非线性的电气元器件,所以由晶闸管组成的中频感应电源对于外部输入电源是一个非线性的负载。也就是在一个周期性的正弦电压输入时,它的阻抗是变化的,电流不是正弦波形,见图3。在电流突变时在正弦电压波形上有短时尖峰。

对于外部三相输入电流,是一个方形台阶波形,可以用傅氏级数的形式分解成等效的(50Hz或 60Hz)基波分量加上各基波奇数倍次的正弦函数分量。但是考虑到晶闸管的换流、三相电压微小的不平衡等因数,IEEE综合理论计算和实际测量值,给出了不同整流配置情况下各次谐波电流幅值和基波电流幅值之间的数量关系。

为了使得大功率中频感应电源产生的谐波对公共电网的影响符合设备使用地供电局的要求,我们必须在选购设备时,考虑到以下因素来减少谐波的产生量。

1、全波整流,不调整直流输出电压。在不增加设备制造费用的情况下,任何时候轻易得到最高的功率因数和最小的谐波发生量。

2、针对低次谐波电流超标,可以适当增加整流脉冲数量。如果某台6脉冲整流的中频电源产生的5、7次谐波电流超标,可以采用 12脉冲整流,这样就可以大大减小5、7次谐波电流值。在某些超大功率中频电源,可以采用 24脉冲整流,可以大大减小5、7、11、13次谐波电流值。


六、低功率运行时的功率因数

三相整流器的功率因数可以用 表示,忽略整流器晶闸管的换流角的话,用表示。

a:整流器晶闸管的延迟触发角

v:整流器晶闸管的换流角

1.串联逆变电路的整流器不改变直流输出电压,只在开启时慢慢建立直流输出电压,和在故障时关断整流器的工作。整流器晶闸管的延迟触发角始终为0,所以三相桥式六脉冲整流功率因数一直可以达到0.955,六相桥式十二脉冲整流功率因数可以达到0.988。

2.并联逆变电路为了维持逆变器正常工作的最小能量,一般控制整流器最小直流输出电压在20%的最高直流电压,所以整个直流输出电压在 20%~100%范围内变化,所以最低功率因数在0.2;整流器晶闸管的延迟触发角为 0°时,也达到最高功率因数。 但在逆变电源全功率时,在有的炉况下,直流阻抗配合比较小,整流器直流输出电压不一定是最大输出电压,这时候功率因数也可能只有0.8~0.9,而不是0.955。功率因数的高低和直流输出电压值有最直接的关系。

七、对线圈的控制能力

1.串联逆变电路直接对通过线圈的电流进行实时反馈并加以监控,只要检测到线圈的电流不正常,就有步骤地封锁逆变晶闸管的触发脉冲,最快最大限度最直接地保护设备。敢于每台设备在出厂前都进行输出铜排短路试验,也是串联逆变电路直接控制线圈电流的极好明证。

2.并联逆变电路只对逆变输出电压进行控制,对通过线圈的电流无法直接控制。只有通过对逆变电压的控制,来影响和调整线圈运行参数;如果线圈方面有工作不正常,需要影响到逆变输出电压,进一步反映到整流电路后,才能采取保护措施。因此这种控制方式是间接的,反映稍慢,对整流器的压力也比较大。

八、输出功率的控制

1.  如七介绍,串连电源逆变电路中,负载线圈、调协电容和逆变可控硅都是串连在一个回路,可以直接检测线圈负载的变化和线圈电流的变化。如果电网电压在+/-10% 内波动,应达串连电源可以在一个电流环内检测到相应的电流变化、主控板适时调整电压大小变化,从而实现电源内部的闭环功率控制,保证输出功率始终不随外在因素的变化,从而保证加热温度可以稳定在+/-20  度。

2.相应如七介绍,在并联电源电路中,没法对负载线圈电流直接检测和控制,外在电网电压波动、线圈负载坯料变化、甚至一些设备开停等都会影响输出功率的变化,从而导致加热温度有较大的变化。

国内感应电源制造商早期几乎全部采用并联逆变电路,最近几年已有部分厂家转向生产串联逆变电路,以满足现代感应加热的需求。

就中国感应市场来说,从国外进口中频感应电源统计情况来看,大多数是选用串联逆变电路,广泛地应用于锻造、铸造、焊接和热处理等行业。

综上所述,串联逆变电路在功率因数、谐波、电效率等方面有着无可比拟的优势,对感应线圈也有最直接的控制,所以尤其是在大功率中频感应电源应用中串联逆变电路是一种最佳的选择。